当前位置:北京航天京盛管道设备有限公司 > 波纹补偿器系列 > 正文
小拉杆横向波纹补偿器

- 产品介绍

小拉杆横向波纹补偿器(XLB)的介绍
小拉杆横向型波纹补偿器除可以补偿弯曲管道的横向位移和角位移,同时也可以补偿轴向位移。
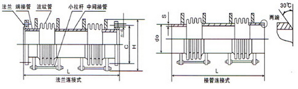
小拉杆横向波纹补偿器(XLB)的示意图

小拉杆横向波纹补偿器(XLB)的型号实例

举例:0.6XLB500FB-1500
表示公称通径为500mm,工作压力为0.6Mpa,长度为1500mm,不锈钢法兰连接的小拉杆横向波纹管补偿器。
小拉杆横向波纹补偿器(XLB)的使用说明
小拉杆横向型波纹补偿器除可以补偿弯曲管道的横向位移和角位移,同时也可以补偿轴向位移。样本中所列的轴向补偿量及横向补偿量(X0、Y0 )均单独用作轴向补偿或横向补偿的最大值。
上一篇:直管压力平衡波纹补偿器
下一篇:大拉杆横向波纹补偿器


